+91 - 94278 87369
fusinix.technologies@gmail.com
Home
About us
Solutions
Electronics Design Services
I&C design Services
Contact us
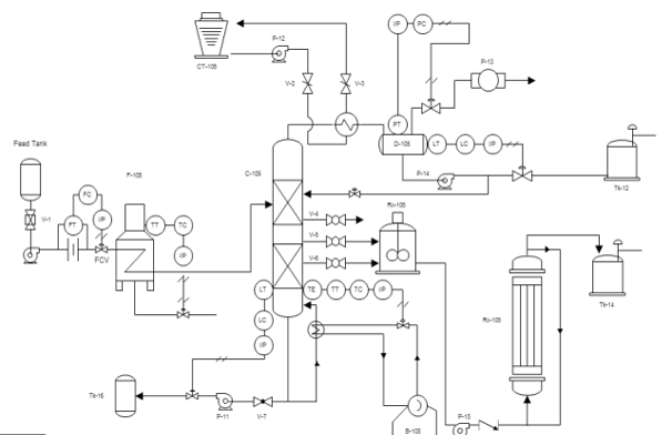
I&C Design Service
Instrumentation Design
We provide consultancy for…..
We can prepare Instrument Index.
Develop I/O list for the P&ID.
Develop Cable Schedule.
Cubicle Internal wiring design.
Cubicle GA drawings.
PLC Tags creation.
Assist in preparing technical specification of instruments.
We produce or supply Goods, Services, or Sources
contact us
Control system Design
We can provide consultancy and software development services for Programmable Logic Controllers (PLCs)
Control System Architecture Definition.
Selecting appropriate PLC CPU and Remote I/Os Modules.
Selecting the Network topologies.
We provide STEP7 PLC programming both in Ladder Logic and text control language.
The control system can be defined in close collaboration with Instrumentation design.